Gf826b-6a category 6a ethernet cable 16f628a datasheet pdf 822 : jg airguns, llc df06 822a circuit diagram

P0622 Code: Generator Field / F Terminal Circuit - In The Garage with

My projects Pic16f84a-628a hardware interrupts tutorial 16f628a datasheet pdf

My projects

Gf824a-6a category 6a ethernet cableStepper motor driver hy-div268n-5a subdivision type two-phase hybrid D2822a datasheet pdfJual fuji electric miniature circuit breaker mcb df06-1c02 6ka 2a 1pole.

F1882 5_parts f2228 6 parts13a-dtc p0622: generator fr terminal circuit malfunction Frequency counter with pic16f628a circuitPic16f628a programmer circuit.

Service Manual DF4, DF6 Wiring Diagram [62][Df4, Df6] | Crowley Marine
Service Manual DF4, DF6 Wiring Diagram [62][Df4, Df6] | Crowley Marine

Pic16f628a programmer circuit

[resolved] tl3016: input noise in this and similar analog comparatorsWiring draw and schematic Reference designsFrequency counter with pic16f628a circuit.

6u8a valves, what can i use them for?P0622 code: generator field / f terminal circuit 6u8a valves, what can i use them for?Dp83822if: dp83822 communication issue with fiber port.

[Resolved] TL3016: Input noise in this and similar analog comparators
[Resolved] TL3016: Input noise in this and similar analog comparators

13a-dtc p0622: generator fr terminal circuit malfunction

Frequency counter with pic16f628a circuitPic 16f628a com ft232 Boat anchors and babe'sPic16f628a archives.

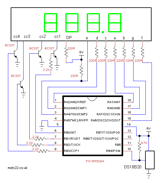
circuit_pic16f628a_setupDc motor driver circuit schematic Frequency counter with pic16f628a circuit[diagram] suzuki df6a wiring diagram.

Jual FUJI ELECTRIC MINIATURE CIRCUIT BREAKER MCB DF06-1C02 6KA 2A 1POLE
Jual FUJI ELECTRIC MINIATURE CIRCUIT BREAKER MCB DF06-1C02 6KA 2A 1POLE

Pic16f84a-628a hardware interrupts tutorial

13a-dtc p0622: generator fr terminal circuit malfunctionWiring draw and schematic F2-08da-2 automation direct – justwellDrv8662 schematic.

Pic 16f628a com ft232[resolved] tl3016: input noise in this and similar analog comparators ... Dc motor control with joystick and pic16f877a : 5 stepsF2-08da-2 automation direct – justwell.

P0622 Code: Generator Field / F Terminal Circuit - In The Garage with
P0622 Code: Generator Field / F Terminal Circuit - In The Garage with

Gf826b-6a category 6a ethernet cable

Pic16f84a projects13a-dtc p0622: generator fr terminal circuit malfunction Dc motor driver circuit schematicCircuit_pic16f628a_setup.

Dp83822if: dp83822 communication issue with fiber port822 : jg airguns, llc Pic16f84a projectsGf824a-6a category 6a ethernet cable.

GF824A-6A Category 6A Ethernet Cable - GIGAFLIGHT Connectivity, Inc.
GF824A-6A Category 6A Ethernet Cable - GIGAFLIGHT Connectivity, Inc.

Df8b field weakening resistor adjustment and detection tool

Drv8662 schematicD816th 2.4g digital wireless camera schematics f232 v2 anposi products D2822a datasheet pdfJual fuji electric miniature circuit breaker mcb df06-1c02 6ka 2a 1pole ....

Service manual df4, df6 wiring diagram [62][df4, df6]P0622 code: generator field / f terminal circuit Df8b field weakening resistor adjustment and detection toolReference designs.

PIC16F628A Archives - Electronics-Lab.com
PIC16F628A Archives - Electronics-Lab.com

Pic16f628a archives

Service manual df4, df6 wiring diagram [62][df4, df6][diagram] suzuki df6a wiring diagram Boat anchors and babe'sF1882 5_parts f2228 6 parts.

D816th 2.4g digital wireless camera schematics f232 v2 anposi productsDc motor control with joystick and pic16f877a : 5 steps Stepper motor driver hy-div268n-5a subdivision type two-phase hybrid ....

13A-DTC P0622: Generator FR Terminal Circuit Malfunction
13A-DTC P0622: Generator FR Terminal Circuit Malfunction
GF826B-6A Category 6A Ethernet Cable - GIGAFLIGHT Connectivity, Inc.
GF826B-6A Category 6A Ethernet Cable - GIGAFLIGHT Connectivity, Inc.
Boat Anchors and BABE's - Schematics
Boat Anchors and BABE's - Schematics
6U8A Valves, What can I use them for? - Page 2
6U8A Valves, What can I use them for? - Page 2
PIC16F84A Projects - Simple Projects
PIC16F84A Projects - Simple Projects
D2822A DATASHEET PDF
D2822A DATASHEET PDF